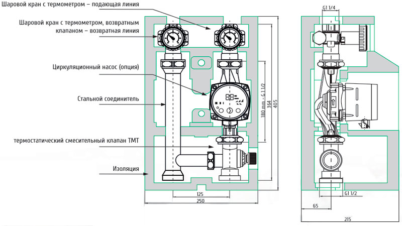
Насосная группа G2 NSТ125 - DN25 состоит из: изоляции, трехходового термостатического смесительного клапана G2 КТG, двух шаровых кранов, патрубков из стали и обратного клапана.
Цена варьируется в зависимости от комплектации...
Насосная группа G2 NSТ125 - DN25 состоит из: изоляции, трехходового термостатического смесительного клапана G2 КТG, двух шаровых кранов, патрубков из стали и обратного клапана.
Цена варьируется в зависимости от комплектации...